Skip to main content Skip to search Skip to navigation

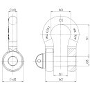
High tensile shackle Load capacity: 9,5 t H-shape

Form: 
Tragfähigkeit: 
15,90 €
incl. 19% VAT , plus shipping costs
Piece